
無刷直流(BLDC)電機概述
無刷直流電機具有定子繞線和永久磁性轉子。繞線連接到控制電子,且電機內部沒有刷子和換向器。電子類似于換向器驅動適當的繞線;在圍繞定子旋轉的移動模式中驅動繞線。驅動的定子繞線引導轉子磁性。
BLDC電機效率更高,運行更快更安靜,需要電子以控制旋轉場。BLDC電機制造成本更低,易于維護。
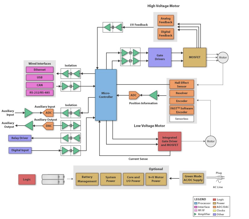
驅動BLDC電機需要三相反向器。反向器包含三個半H橋,使用輔助信號控制其高位和低位開關。在關閉高側開關和開啟低側開關之間保有延遲是非常重要的。這將消除潛在的開關短路。
TI的C2000?系列MCU可以通過使用標量或矢量控制技術控制BLDC電機。了解轉子位置對于高效控制BLDC電機非常重要。通過連接至電機的霍爾傳感器或旋轉式編碼器能夠檢測到轉子的位置。這些傳感器輸入用于含傳感器的反饋控制系統。
轉子位置還可通過使用反電動勢電壓信息進行估算。此反饋控制模式無需使用傳感器和附加接線。位置或度評估器也可用于計算轉子位置。
C2000MCU上的集成高速12位ADC轉換器、高分辨率脈寬調制器(PWM)和正交編碼器輸入(QEI)使其適合于實施BLDC電機控制。C2000MCU內核能夠在短時間內執行復雜的數學函數,使此MCU系列成為實施矢量控制技術和同時控制多個電機的理想選擇。此系列的PWM具有可編程死區延遲,可驅動高側和低側閘極驅動器。C2000MCU還可通過使用梯形或正弦控制驅動BLDC電機。
Stellaris®系列MCU向偏愛開放式構架內核的客戶提供基于ARM的解決方案。這些MCU還為傳感器的控制提供集成ADC、電機控制特定的PWM和QEI輸入。其基于硬件的故障檢測系統可更快地關閉系統,無需軟件干預。這些MCU也可用于實施標量和矢量控制技術。
MSP430器件基于16位RISC架構,在工作模式和休眠模式中具有超低功耗操作功能。通過使用接受較低性能的標量技術,這些MCU可用于BLDC電機控制。集成驅動器可配置為PWM輸出并可通過梯形控制控制閘極驅動器。
Hercules®安全MCU可提供基于ARMCortex-R4f的解決方案并被認證為適合用于需要實現IEC61508SIL-3安全級別的系統中。這些MCU還可通過靈活的HET協處理器提供集成浮點、12位ADC、特定于電機控制的PWM及編碼器輸入。Hercules安全MCU還可用于實施標量和矢量控制技術并支持各種性能需求。
隔離
TI數字隔離器具有邏輯輸入和輸出緩沖器,這些緩沖器由TI的二氧化硅(SiO2)隔離勢壘進行隔離,可提供4kV隔離。
當與隔離電源配合使用時,這些器件可阻止高電壓、隔離接地以及防止噪聲電流進入本地接地并干擾或損害敏感電路。
接口/連接
傳統模擬RS-232/RS-485接口一直是電機控制應用的常見選擇。展望未來,設計人員將在其產品中集成主流接口,如以太網、USB和CAN。
TI致力于同時為傳統和新興工業接口提供解決方案。例如,TI最近推出了全世界首款隔離式CAN收發器ISO1050。
電源管理
德州儀器(TI)提供從標準IC到高性能插件、變壓器、數字電源MOSFET和集成電源模塊的電源管理IC解決方案。從AC/DC和DC/DC電源、線性穩壓器和非隔離式開關DC/DC穩壓器到PMIC和電源及顯示解決方案,德州儀器(TI)的電源管理IC解決方案都能幫助您完成項目開發。